Logowanie i rejestracja
Masz pytania?
+48 600 133 312
0
Suma zamówienia:
0.00
PLN
Finalizuj zamówienie
Części zamienne
NADWOZIE
(4051)
DŹWIGNIE SPRZĘGŁA I HAMULCA
(464)
DŹWIGNIA HAMULCA
(64)
DŹWIGNIE CNC SZOSA
(232)
DŹWIGNIA SPRZĘGŁA
(68)
DŹWIGNIE CROSS ENDURO
(43)
UCHWYTY DŹWIGNI SPRZĘGŁA
(12)
ZESTAW DŹWIGNI SPRZĘGŁA
(10)
DŹWIGNIE UNIWERSALNE
(6)
LINKI
(319)
LINKI GAZU
(160)
LINKI SPRZĘGŁA
(157)
SZYBY
(15)
DŹWIGNIE ZMIANY BIEGÓW
(183)
DŹWIGNIE HAMULCA NOŻNEGO
(77)
PODNÓŻKI STOPKI
(113)
KIEROWNICE I OSPRZĘT
(177)
KIEROWNICA ALUMINIOWA
(36)
Kierownice 22 mm
(8)
Kierownice 28 6 mm
(26)
Kierownice
(97)
OSŁONY KIEROWNICY PADY
(21)
KIEROWNICA SPORT
(1)
PODWYŻKI MOCOWANIA KIEROWNICY
(67)
CIĘŻARKI KIEROWNICY
(55)
ROLGAZY MANETKI GRIPY
(181)
ROLGAZ ALUMINIOWY
(24)
ROLGAZ KOMPLETNY
(7)
MANETKI GRIPY
(126)
PIANKI DRUTY
(3)
CRASH PADY OSŁONY
(483)
CRASH PADY ŚLIZGACZE
(122)
ŚLIZGACZE OSI
(72)
ZESTAW OSŁON
(24)
OSŁONY
(163)
OSŁONY DEKLA
(34)
Handbary i Listki
(262)
Akcesoria Tuning
(204)
Pokrywy pompy
(39)
ŚRUBY SPUSTU OLEJU
(3)
ZAŚLEPKI
(10)
Nakrętki Tuning
(35)
Pokrywy Filtra Oleju
(29)
Korki Wlewu Oleju
(27)
Korki Inspekcyjne
(25)
Dekle Silnika
(30)
Odpowietrzniki paliwa
(12)
Kopniki
(86)
Śruby nakrętki zestawy
(70)
Poszycia Siedzeń Plastiki Okleiny cross
(369)
OŚWIETLENIE
(1283)
KIERUNKOWSKAZY
(587)
LAMPY TYLNE
(10)
ZESTAWY MONTAŻOWE
(37)
LAMPY
(328)
Żarówki
(324)
UKŁAD NAPĘDOWY
(1328)
Zębatki przednie
(372)
Zębatki tylne
(555)
Łańcuchy Napędowe
(107)
Paski napędowe
(200)
Zestaw napędowy
(30)
Ślizgi i Rolki łańcucha
(165)
UKŁAD HAMULCOWY
(2958)
Zestawy Naprawcze
(24)
Klocki Hamulcowe
(1485)
Tarcze Hamulcowe
(1365)
Osłona Tarczy Hamulcowej
(46)
UKŁAD ELEKTRYCZNY
(1218)
Akumulatory
(286)
REGULATORY NAPIĘCIA
(169)
Zegary
(1)
Zegary do motoroweru
(1)
Zegary do motocykla
(0)
Świece Zapłonowe
(497)
Licznik Motogodzin
(18)
Przycisk Startowy
(5)
Włącznik Świateł
(1)
Wyłącznik Zapłonu
(19)
SILNIK
(3473)
Tłoki pierścienie i sworznie
(2649)
SILNIK KOMPLETNY
(332)
Korbowody
(223)
Cylindry
(39)
Uszczelki i uszczelniacze
(528)
Komplety uszczelek
(405)
Komplety uszczelek Top-End
(122)
Sprzęgło
(378)
Tarcze Sprzęgłowe
(347)
Kosz sprzęgłowy
(18)
WYSPRZĘGLIK - SIŁOWNIK
(17)
SPRĘŻYNA SPRZĘGŁA
(1)
Dysze Gaźniki
(4)
Rozrząd
(0)
FILTRY
(1760)
Filtry oleju
(482)
Filtry paliwa
(58)
Filtry powietrza
(1225)
Filtry powietrza wkłady
(60)
Oleje i spray do filtrów powietrza
(2)
ZAWIESZENIE I KOŁA
(2052)
Opony i Dętki
(302)
Tubliss
(5)
Koła i Szprychy
(32)
Trzymaki opon
(4)
Dystanse Koła
(31)
Napinacze Łańcucha Tylnej osi
(23)
Blokada Amortyzatorów Starter
(38)
Uszczelniacze przedniego zawieszenia
(47)
Uszczelniacze pyłowe lag
(26)
Komplet uszczelniaczy
(2)
Uszczelniacze Olejowe Lag
(80)
Zestawy naprawcze wahacza
(108)
Łożyska główki ramy
(212)
Łożyska Amortyzatora
(176)
Łożyska Kół
(981)
Odpowietrzniki Amortyzatorów
(10)
Osłona amortyzatorów
(25)
Pokrętła regulacja zawieszenia
(7)
Rury przedniego zawieszenia
(10)
PÓŁKI AMORTYZATORA
(18)
UKŁAD WYDECHOWY
(437)
DYFUZORY
(4)
TŁUMIKI
(348)
Wata do tłumika
(4)
Przód Dystanse Zestawy Hamulca Tarcze
(0)
ATV UTV QUAD
(326)
FELGI ATV UTV
(119)
WCIĄGARKI
(59)
GĄSIENICE ATV UTV
(16)
Osłony podwozia ATV
(95)
Kufer Quad ATV
(37)
SNOW
(82)
Części OEM
SWM
(4343)
GRUPA Piaggio
(70926)
VOGE
(310)
BARTON
(5213)
BARTON Primo
(94)
BARTON Galactic
(160)
BARTON GT 125
(135)
BARTON Huragan
(539)
BARTON Hyper 125
(211)
BARTON Mikilon 180
(0)
BARTON N 125
(129)
BARTON NXT 250
(55)
BARTON NXT 300
(37)
BARTON Patrol 50
(77)
BARTON FR 50
(146)
BARTON Ranger Classic
(243)
BARTON Scalpel
(117)
BARTON Sprint
(561)
BARTON Travel 125
(161)
BARTON Tres
(42)
BARTON TZR 50
(22)
BARTON TZ 125
(145)
BARTON Volcano 50
(130)
BARTON E-Max
(54)
BARTON ACTIVE
(160)
BARTON ATV 125-9
(75)
BARTON ATV125-X
(67)
BARTON B-max
(237)
Barton Blade 125
(167)
BARTON Cafe Racer
(101)
BARTON Challenger
(112)
BARTON Classic 125
(183)
BARTON Crossy DB 10,14,27
(233)
BARTON 21
(0)
BARTON Eagle ATV
(98)
BARTON Energy 2.0
(73)
BARTON Falcon 50
(347)
BARTON Falcon 125
(201)
BARTON Fighter Eco
(514)
BARTON Firefox
(170)
BARTON Flex
(51)
BARTON Force ATV
(89)
Segway
(195)
CFMOTO
(106)
ROMET
(38127)
CZĘŚCI PITY KAYO MRF
(1439)
HISUN
(303)
TGB
(16254)
LINHAI
(7256)
Odzież
Odzież Off-Road MX
(2828)
Bluza Offroad Cross Enduro
(1057)
Spodnie Cross Atv
(879)
Spodnie Enduro
(30)
Rękawice offroad cross
(581)
Kurtka Enduro Offroad
(159)
Odzież Szosowo Turystyczna
(5537)
Kurtki Skórzane
(1099)
Kurtki Tekstylne
(1216)
Kurtki Turystyczne
(154)
Spodnie Skórzane
(363)
Spodnie Tekstylne
(667)
Moto Jeansy
(170)
Kombinezony
(149)
Rękawice Krótkie
(599)
Rękawice Długie
(899)
Ochraniacze Szosa
(5)
Plecaki
(61)
Kominiarka motocyklowa
(34)
Kamizelki
(52)
Koszule motocyklowe
(36)
Odzież przeciwdeszczowa
(334)
Inne - przeciwdeszczowe
(22)
Spodnie przeciwdeszczowe
(85)
Kurtki przeciwdeszczowe
(92)
Kombinezony przeciwdeszczowe
(65)
Ubiór i Ochrona Diecięca
(354)
Kaski dla dzieci
(70)
Kurtki dziecięce
(2)
Gogle Dziecięce
(3)
Buty dla dzieci
(61)
Bluzy motocyklowe dla dzieci
(98)
Spodnie dla dzieci
(68)
Rękawice dla dzieci
(27)
Ochraniacze dla dzieci
(23)
KOMBINEZONY DZIECIĘCE
(4)
Bielizna termoaktywna
(142)
Skarpety
(6)
Spodnie termoaktywne
(54)
Bluzy termoaktywne
(68)
Odzież motocyklowa Damska
(776)
Rękawice motocyklowe Damskie
(184)
Kaski Damskie
(6)
Kurtki Motocyklowe Damskie
(245)
Spodnie Motocyklowe Damskie
(231)
Off Road
(10)
Buty Damskie motocyklowe
(53)
Koszule motocyklowe
(12)
Kombinezony motocyklowe damskie
(18)
ATV Snow Odzież
(1183)
Buty Skuter Śnieżny ATV
(157)
Kominiarki Atv Snow
(33)
KOMBINEZON ATV-SNOW
(231)
Kaski Snow
(267)
Rękawice ATV Skuter Snieżny
(173)
Kurtki zimowe QUAD SNOW
(152)
Spodnie zimowe Snow ATV
(137)
Gogle zimowe
(65)
Buty motocyklowe
(3866)
Buty sportowe
(0)
Buty szosowe sport
(186)
Buty szosowe krótkie
(433)
Buty szosowe turystyczne
(2382)
Buty offroad Cross i Atv
(680)
Buty Chopper
(9)
Ochraniacze
(790)
Ortezy
(103)
Zbroja Buzer
(361)
Ochraniacze kolan
(90)
Nałokietniki ochroniacz łokcia
(20)
Szorty ochronne
(50)
Ochraniacz szyi Stabilizator karku
(49)
Pasy Nerkowe
(27)
Odzież codzienna
(541)
Spodnie
(112)
Bluzy
(29)
Szorty
(0)
Czapka
(58)
T-shirt
(209)
Paski
(15)
T-Shirt damski
(13)
Kaski i Gogle
Kask Integralny
(4439)
Kask Adventure
(2)
Kask Cross
(2881)
Kask Otwarty
(1376)
Kask Szczękowy
(1475)
Dual Enduro
(142)
Gogle
(518)
Akcesoria do kasków i gogli
(890)
Szyby do kasku
(0)
Oleje i Chemia
Oleje silnikowe 4T
(98)
Oleje silnikowe 2T
(10)
Oleje do quadów
(0)
Oleje do skuterów
(4)
Oleje do amortyzatorów
(9)
Oleje przekładniowe
(4)
Smary do łańcuchów
(26)
Płyn Chłodniczy
(5)
Środki do filtrów powietrza
(10)
Płyn Hamulcowy
(11)
Środki czyszczące
(81)
Środki do kasków
(10)
Środki do odzieży
(8)
Środki czyszczące do nadwozia
(26)
Środki do rąk
(1)
Chemia warsztatowa
(27)
Smary
(9)
Dodatki do paliw
(2)
Akcesoria
CHOPPER
(2882)
DZWIGNIE CHOPPER
(57)
LUSTERKA CHOPPER
(35)
GMOLE
(130)
TŁUMIKI CHOPPER
(1288)
BAGAŻE KUFRY
(541)
POKRYWY FILTRY POWIETRZA
(71)
OWIEWKA SZYBA CHOPPER
(745)
PODUSZKI
(3)
Bukłaki
(2)
Torby na nogę
(5)
Torby podróżne
(15)
Obuwie
(60)
Kamery
(19)
NAKŁADKA PODNÓŻKI BOCZNEJ
(48)
STOPKI CENTRALNE
(80)
POKROWCE
(31)
Lusterka
(93)
Gadżety motocyklowe
(86)
UCHWYTY GPS I SMARTFON
(295)
Narzędzia warsztatowe
(356)
Stojaki motocyklowe
(55)
Tankpady i okleiny
(2345)
Tankpady
(1663)
Okleiny motocyklowe
(740)
INTERKOMY
(329)
Kufry Bagaże
(2128)
ADAPTERY I STELAŻE
(542)
CZĘŚCI ZAMIENNE I AKCESORIA
(122)
ZESTAWY KUFRÓW I BAGAŻY
(1013)
NAWIGACJE I GPS
(107)
ŁADOWARKI USB
(70)
BŁOTNIKI
(17)
WIDEOREJESTRATORY
(31)
GMOLE
(157)
KOCE GRZEWCZE
(3)
Zabezpieczenia Moto
(162)
POWER COMMANDER
(94)
Moto marki
Honda
(956)
Kawasaki
(948)
Suzuki
(819)
Yamaha
(1060)
KTM
(792)
Husqvarna
(454)
Husaberg
(186)
Beta
(191)
Gas Gas
(148)
Sherco
(119)
Aprilia
(158)
MV Agusta
(48)
Kymco
(559)
Bimota
(17)
Arctic Cat
(27)
Montesa
(32)
Cagiva
(37)
Ducati
(123)
TM
(97)
Bmw
(364)
Triumph
(202)
Harley Davidson
(318)
Moto Guzzi
(18)
Piaggio
(795)
Polaris
(15)
Sym
(7)
Hyosung
(6)
Outlet
Pojazdy
Serwisówka
Blog
Kontakt
Części zamienne
NADWOZIE
(4051)
DŹWIGNIE SPRZĘGŁA I HAMULCA
(464)
DŹWIGNIA HAMULCA
(64)
DŹWIGNIE CNC SZOSA
(232)
DŹWIGNIA SPRZĘGŁA
(68)
DŹWIGNIE CROSS ENDURO
(43)
UCHWYTY DŹWIGNI SPRZĘGŁA
(12)
ZESTAW DŹWIGNI SPRZĘGŁA
(10)
DŹWIGNIE UNIWERSALNE
(6)
LINKI
(319)
LINKI GAZU
(160)
LINKI SPRZĘGŁA
(157)
SZYBY
(15)
DŹWIGNIE ZMIANY BIEGÓW
(183)
DŹWIGNIE HAMULCA NOŻNEGO
(77)
PODNÓŻKI STOPKI
(113)
KIEROWNICE I OSPRZĘT
(177)
KIEROWNICA ALUMINIOWA
(36)
Kierownice 22 mm
(8)
Kierownice 28 6 mm
(26)
Kierownice
(97)
OSŁONY KIEROWNICY PADY
(21)
KIEROWNICA SPORT
(1)
PODWYŻKI MOCOWANIA KIEROWNICY
(67)
CIĘŻARKI KIEROWNICY
(55)
ROLGAZY MANETKI GRIPY
(181)
ROLGAZ ALUMINIOWY
(24)
ROLGAZ KOMPLETNY
(7)
MANETKI GRIPY
(126)
PIANKI DRUTY
(3)
CRASH PADY OSŁONY
(483)
CRASH PADY ŚLIZGACZE
(122)
ŚLIZGACZE OSI
(72)
ZESTAW OSŁON
(24)
OSŁONY
(163)
OSŁONY DEKLA
(34)
Handbary i Listki
(262)
Akcesoria Tuning
(204)
Pokrywy pompy
(39)
ŚRUBY SPUSTU OLEJU
(3)
ZAŚLEPKI
(10)
Nakrętki Tuning
(35)
Pokrywy Filtra Oleju
(29)
Korki Wlewu Oleju
(27)
Korki Inspekcyjne
(25)
Dekle Silnika
(30)
Odpowietrzniki paliwa
(12)
Kopniki
(86)
Śruby nakrętki zestawy
(70)
Poszycia Siedzeń Plastiki Okleiny cross
(369)
OŚWIETLENIE
(1283)
KIERUNKOWSKAZY
(587)
LAMPY TYLNE
(10)
ZESTAWY MONTAŻOWE
(37)
LAMPY
(328)
Żarówki
(324)
UKŁAD NAPĘDOWY
(1328)
Zębatki przednie
(372)
Zębatki tylne
(555)
Łańcuchy Napędowe
(107)
Paski napędowe
(200)
Zestaw napędowy
(30)
Ślizgi i Rolki łańcucha
(165)
UKŁAD HAMULCOWY
(2958)
Zestawy Naprawcze
(24)
Klocki Hamulcowe
(1485)
Tarcze Hamulcowe
(1365)
Osłona Tarczy Hamulcowej
(46)
UKŁAD ELEKTRYCZNY
(1218)
Akumulatory
(286)
REGULATORY NAPIĘCIA
(169)
Zegary
(1)
Zegary do motoroweru
(1)
Zegary do motocykla
(0)
Świece Zapłonowe
(497)
Licznik Motogodzin
(18)
Przycisk Startowy
(5)
Włącznik Świateł
(1)
Wyłącznik Zapłonu
(19)
SILNIK
(3473)
Tłoki pierścienie i sworznie
(2649)
SILNIK KOMPLETNY
(332)
Korbowody
(223)
Cylindry
(39)
Uszczelki i uszczelniacze
(528)
Komplety uszczelek
(405)
Komplety uszczelek Top-End
(122)
Sprzęgło
(378)
Tarcze Sprzęgłowe
(347)
Kosz sprzęgłowy
(18)
WYSPRZĘGLIK - SIŁOWNIK
(17)
SPRĘŻYNA SPRZĘGŁA
(1)
Dysze Gaźniki
(4)
Rozrząd
(0)
FILTRY
(1760)
Filtry oleju
(482)
Filtry paliwa
(58)
Filtry powietrza
(1225)
Filtry powietrza wkłady
(60)
Oleje i spray do filtrów powietrza
(2)
ZAWIESZENIE I KOŁA
(2052)
Opony i Dętki
(302)
Tubliss
(5)
Koła i Szprychy
(32)
Trzymaki opon
(4)
Dystanse Koła
(31)
Napinacze Łańcucha Tylnej osi
(23)
Blokada Amortyzatorów Starter
(38)
Uszczelniacze przedniego zawieszenia
(47)
Uszczelniacze pyłowe lag
(26)
Komplet uszczelniaczy
(2)
Uszczelniacze Olejowe Lag
(80)
Zestawy naprawcze wahacza
(108)
Łożyska główki ramy
(212)
Łożyska Amortyzatora
(176)
Łożyska Kół
(981)
Odpowietrzniki Amortyzatorów
(10)
Osłona amortyzatorów
(25)
Pokrętła regulacja zawieszenia
(7)
Rury przedniego zawieszenia
(10)
PÓŁKI AMORTYZATORA
(18)
UKŁAD WYDECHOWY
(437)
DYFUZORY
(4)
TŁUMIKI
(348)
Wata do tłumika
(4)
Przód Dystanse Zestawy Hamulca Tarcze
(0)
ATV UTV QUAD
(326)
FELGI ATV UTV
(119)
WCIĄGARKI
(59)
GĄSIENICE ATV UTV
(16)
Osłony podwozia ATV
(95)
Kufer Quad ATV
(37)
SNOW
(82)
Części OEM
SWM
(4343)
GRUPA Piaggio
(70926)
VOGE
(310)
BARTON
(5213)
BARTON Primo
(94)
BARTON Galactic
(160)
BARTON GT 125
(135)
BARTON Huragan
(539)
BARTON Hyper 125
(211)
BARTON Mikilon 180
(0)
BARTON N 125
(129)
BARTON NXT 250
(55)
BARTON NXT 300
(37)
BARTON Patrol 50
(77)
BARTON FR 50
(146)
BARTON Ranger Classic
(243)
BARTON Scalpel
(117)
BARTON Sprint
(561)
BARTON Travel 125
(161)
BARTON Tres
(42)
BARTON TZR 50
(22)
BARTON TZ 125
(145)
BARTON Volcano 50
(130)
BARTON E-Max
(54)
BARTON ACTIVE
(160)
BARTON ATV 125-9
(75)
BARTON ATV125-X
(67)
BARTON B-max
(237)
Barton Blade 125
(167)
BARTON Cafe Racer
(101)
BARTON Challenger
(112)
BARTON Classic 125
(183)
BARTON Crossy DB 10,14,27
(233)
BARTON 21
(0)
BARTON Eagle ATV
(98)
BARTON Energy 2.0
(73)
BARTON Falcon 50
(347)
BARTON Falcon 125
(201)
BARTON Fighter Eco
(514)
BARTON Firefox
(170)
BARTON Flex
(51)
BARTON Force ATV
(89)
Segway
(195)
CFMOTO
(106)
ROMET
(38127)
CZĘŚCI PITY KAYO MRF
(1439)
HISUN
(303)
TGB
(16254)
LINHAI
(7256)
Odzież
Odzież Off-Road MX
(2828)
Bluza Offroad Cross Enduro
(1057)
Spodnie Cross Atv
(879)
Spodnie Enduro
(30)
Rękawice offroad cross
(581)
Kurtka Enduro Offroad
(159)
Odzież Szosowo Turystyczna
(5537)
Kurtki Skórzane
(1099)
Kurtki Tekstylne
(1216)
Kurtki Turystyczne
(154)
Spodnie Skórzane
(363)
Spodnie Tekstylne
(667)
Moto Jeansy
(170)
Kombinezony
(149)
Rękawice Krótkie
(599)
Rękawice Długie
(899)
Ochraniacze Szosa
(5)
Plecaki
(61)
Kominiarka motocyklowa
(34)
Kamizelki
(52)
Koszule motocyklowe
(36)
Odzież przeciwdeszczowa
(334)
Inne - przeciwdeszczowe
(22)
Spodnie przeciwdeszczowe
(85)
Kurtki przeciwdeszczowe
(92)
Kombinezony przeciwdeszczowe
(65)
Ubiór i Ochrona Diecięca
(354)
Kaski dla dzieci
(70)
Kurtki dziecięce
(2)
Gogle Dziecięce
(3)
Buty dla dzieci
(61)
Bluzy motocyklowe dla dzieci
(98)
Spodnie dla dzieci
(68)
Rękawice dla dzieci
(27)
Ochraniacze dla dzieci
(23)
KOMBINEZONY DZIECIĘCE
(4)
Bielizna termoaktywna
(142)
Skarpety
(6)
Spodnie termoaktywne
(54)
Bluzy termoaktywne
(68)
Odzież motocyklowa Damska
(776)
Rękawice motocyklowe Damskie
(184)
Kaski Damskie
(6)
Kurtki Motocyklowe Damskie
(245)
Spodnie Motocyklowe Damskie
(231)
Off Road
(10)
Buty Damskie motocyklowe
(53)
Koszule motocyklowe
(12)
Kombinezony motocyklowe damskie
(18)
ATV Snow Odzież
(1183)
Buty Skuter Śnieżny ATV
(157)
Kominiarki Atv Snow
(33)
KOMBINEZON ATV-SNOW
(231)
Kaski Snow
(267)
Rękawice ATV Skuter Snieżny
(173)
Kurtki zimowe QUAD SNOW
(152)
Spodnie zimowe Snow ATV
(137)
Gogle zimowe
(65)
Buty motocyklowe
(3866)
Buty sportowe
(0)
Buty szosowe sport
(186)
Buty szosowe krótkie
(433)
Buty szosowe turystyczne
(2382)
Buty offroad Cross i Atv
(680)
Buty Chopper
(9)
Ochraniacze
(790)
Ortezy
(103)
Zbroja Buzer
(361)
Ochraniacze kolan
(90)
Nałokietniki ochroniacz łokcia
(20)
Szorty ochronne
(50)
Ochraniacz szyi Stabilizator karku
(49)
Pasy Nerkowe
(27)
Odzież codzienna
(541)
Spodnie
(112)
Bluzy
(29)
Szorty
(0)
Czapka
(58)
T-shirt
(209)
Paski
(15)
T-Shirt damski
(13)
Kaski i Gogle
Kask Integralny
(4439)
Kask Adventure
(2)
Kask Cross
(2881)
Kask Otwarty
(1376)
Kask Szczękowy
(1475)
Dual Enduro
(142)
Gogle
(518)
Akcesoria do kasków i gogli
(890)
Szyby do kasku
(0)
Oleje i Chemia
Oleje silnikowe 4T
(98)
Oleje silnikowe 2T
(10)
Oleje do quadów
(0)
Oleje do skuterów
(4)
Oleje do amortyzatorów
(9)
Oleje przekładniowe
(4)
Smary do łańcuchów
(26)
Płyn Chłodniczy
(5)
Środki do filtrów powietrza
(10)
Płyn Hamulcowy
(11)
Środki czyszczące
(81)
Środki do kasków
(10)
Środki do odzieży
(8)
Środki czyszczące do nadwozia
(26)
Środki do rąk
(1)
Chemia warsztatowa
(27)
Smary
(9)
Dodatki do paliw
(2)
Akcesoria
CHOPPER
(2882)
DZWIGNIE CHOPPER
(57)
LUSTERKA CHOPPER
(35)
GMOLE
(130)
TŁUMIKI CHOPPER
(1288)
BAGAŻE KUFRY
(541)
POKRYWY FILTRY POWIETRZA
(71)
OWIEWKA SZYBA CHOPPER
(745)
PODUSZKI
(3)
Bukłaki
(2)
Torby na nogę
(5)
Torby podróżne
(15)
Obuwie
(60)
Kamery
(19)
NAKŁADKA PODNÓŻKI BOCZNEJ
(48)
STOPKI CENTRALNE
(80)
POKROWCE
(31)
Lusterka
(93)
Gadżety motocyklowe
(86)
UCHWYTY GPS I SMARTFON
(295)
Narzędzia warsztatowe
(356)
Stojaki motocyklowe
(55)
Tankpady i okleiny
(2345)
Tankpady
(1663)
Okleiny motocyklowe
(740)
INTERKOMY
(329)
Kufry Bagaże
(2128)
ADAPTERY I STELAŻE
(542)
CZĘŚCI ZAMIENNE I AKCESORIA
(122)
ZESTAWY KUFRÓW I BAGAŻY
(1013)
NAWIGACJE I GPS
(107)
ŁADOWARKI USB
(70)
BŁOTNIKI
(17)
WIDEOREJESTRATORY
(31)
GMOLE
(157)
KOCE GRZEWCZE
(3)
Zabezpieczenia Moto
(162)
POWER COMMANDER
(94)
Moto marki
Honda
(956)
Kawasaki
(948)
Suzuki
(819)
Yamaha
(1060)
KTM
(792)
Husqvarna
(454)
Husaberg
(186)
Beta
(191)
Gas Gas
(148)
Sherco
(119)
Aprilia
(158)
MV Agusta
(48)
Kymco
(559)
Bimota
(17)
Arctic Cat
(27)
Montesa
(32)
Cagiva
(37)
Ducati
(123)
TM
(97)
Bmw
(364)
Triumph
(202)
Harley Davidson
(318)
Moto Guzzi
(18)
Piaggio
(795)
Polaris
(15)
Sym
(7)
Hyosung
(6)
Outlet
Pojazdy
Serwisówka
Blog
Kontakt
SWM
ACE OF SPADES - OUTLAW 125
Strona główna
Serwis
Serwis motocykli - naprawa maszyn z wykorzystaniem odpowiednich części
Wybierz interesujący Cię schemat:
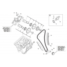
Silnik
CLUTCH
COOLING SYSTEM
COVER GENARATOR
COVER, CYLINDER HEAD
CRANKCASE SET, LH
CRANKCASE SET, RH
CRANKSHAFT
CYLINDER HEAD
CYLINDER-PISTON
INTAKE
PIPE, ENGINE OIL
THROTTLE BODY
TIMING
TRANSMISSION
Zawieszenie
BODY
DAMPER FRONT FORK LH
DAMPER FRONT FORK RH
EMBLEM ACE OF SPADES
EMBLEM OUTLAW
MASTER CYLINDER, FRONT
EXHAUST SYSTEM
FRAME
FRONT FORK
FRONT WHEEL
FUEL TANK
HANDLEBAR-CONTROLS
MASTER CYLINDER, REAR
REAR FOOTREST
REAR SWING ARM-SHOCK ABSORBER
REAR WHEEL
Elektryka
ELECTRICAL DEVICES
METERS
STARTING MOTOR
WIRE HARNESS
Pozostałe
WORKSHOP SERVICE TOOLS
Nawigacja
Strona główna
O nas
Nasze marki
Nowości
Kontakt
Mapa strony
Moje konto
Moje konto
Historia zamówień
Edycja konta
Obsługa klienta
Polityka prywatności
Regulamin
Płatność
Dostawa
Kontakt
F.H.U Dobek Spółka Jawna
ul. Glinianska 14
33-100 Tarnów
+48 600 133 312
kontakt@motosati.pl
Facebook
Instagram
TikTok
© 2013 - 2026 motosati.pl - Wszelkie prawa zastrzeżone
powered by: vules-studio.pl
Dodano do koszyka
Kontynuuj zakupy
Finalizuj zamówienie
Te produkty mogą Cię zainteresować
Kontynuuj zakupy
Finalizuj zamówienie
Wgraj zdjęcie
Zaloguj się
Zaloguj
Nie pamiętam hasła -
Wygeneruj nowe
Nie pamiętam hasła
Podaj adres e-mail użyty do logowania
Zarejestruj się
jeśli nie masz jeszcze konta