Masz pytania?+48 600 133 312
0
Suma zamówienia: 0.00 PLN
Finalizuj zamówienie

Opis

WAŁ KORBOWYRMS 2T 50 CCM A/C L/C PEUGEOT LUDIX SPEEDFIGHT VIVACITY JET FORCE

 

Kod produktu: RMS10 003 0130

 

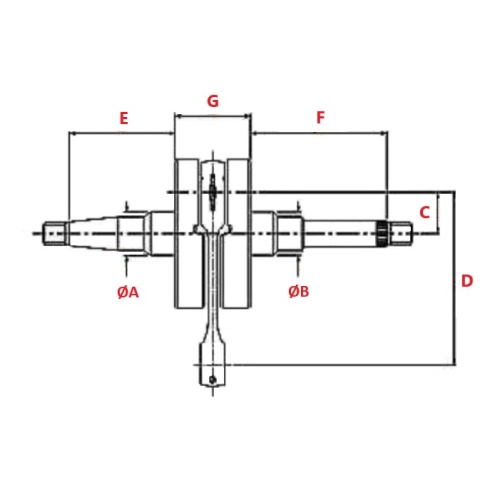
Charakterystykaproduktu:

 

·        Wał RMS dosilników 2T 50 ccm L/C A/C

·        Wysokiejjakości zamiennik, niczym nie odbiegający od części oryginalnej

·        Łożysko główkikorbowodu - 10x15x14,6mm

·        Wymiary:


A - 20,00 mm

B - 20,00 mm

C - …… mm

D - ….. mm

E - 70,00 mm

F - 88,00 mm

G - 43,00 mm

 

·        Długośćcałkowita 105 mm

·        Wielo-frez O12mm, 22 zębów

·        Średnica przeciwwag73,5 mm

·        Wyprodukowanawedług standardów jakości ISO

 

Zastosowanie: PEUGEOT LUDIX, SPEEDFIGHT, VIVACITY, JET FORCE szczegóły w zakładce „pasuje do” i tabelce poniżej

 

RMS to wiodąca firma na włoskiej i europejskiej scenie zajmująca siędystrybucją części zamiennych i akcesoriów do motocykli, skuterów, rowerów oraze-rowerów. Korzystając ze skonsolidowanych partnerstw z największymiświatowymi producentami, oferuje kompletną ofertę producentom i detalistom wróżnych sektorach, w których działa. Współpraca ta gwarantuje gamęnajnowocześniejszych produktów w niezwykle konkurencyjnym i stale rozwijającymsię sektorze motoryzacji. W swoim portfolio posiada ponad 30000 tys.produktów, a zadowolenie klienta zawsze było jednym z głównych priorytetówfirmy

 

 

Wróć do MOTOR-LAND
RMS

WAŁ KORBOWY RMS 2T 50 CCM A/C L/C PEUGEOT LUDIX SPEEDFIGHT VIVA CITY JET FORCE

1000301300001
1000301300001
534.47 PLN

Sprawdź czy produkt pasuje do twojego pojazdu

Serwisówka
Podobne produkty

W ramach naszej witryny stosujemy pliki cookies w celu świadczenia Państwu usług na najwyższym poziomie, w tym w sposób dostosowany do indywidualnych potrzeb. Korzystanie z witryny bez zmiany ustawień dotyczących cookies oznacza, że będą one zamieszczane w Państwa urządzeniu końcowym. Możecie Państwo dokonać w każdym czasie zmiany ustawień dotyczących cookies

Akceptuje ciasteczka

Te produkty mogą Cię zainteresować


Kontynuuj zakupy Finalizuj zamówienie

Wgraj zdjęcie

Zaloguj się

Zaloguj

Nie pamiętam hasła - Wygeneruj nowe

Nie pamiętam hasła

Podaj adres e-mail użyty do logowania